Sanitär
Heizung - Einschraubheizkörper
- Solaranlagen
- Heizungsarmaturen
- Heizungsregler
- Abgassysteme
- Datenlogger & VBus-Zubehör
- Sensoren & Zubehör
- Ventile
- Ausdehnungsgefäße
- Fußbodenheizung
- Einschraubheizkörper
Heizkörper
Installation - Rohrsysteme
- Rohrarmaturen
- Befestigungen
- Gebäudeautomation
- Trinkwasser-Ausdehnungsgefäße
- Vorwandmontagesystem
- Abwasser & Kanal
- Isolierung
- Mauerdurchführungen
- Pumpentechnik
- Photovoltaik
Lüftung
Dach
Werkzeug - Handwerkzeuge
- Kartuschenpressen & Pistolen
- Drehmomentschlüssel
- Schneiden, Reinigen, Schaben
- Tackern, Nageln, Heften
- Steckschlüssel Sätze & Einzelteile
- Schlagwerkzeuge
- Figofix rosa Handwerkzeuge
- Sägen, Entgrat- & Kalibrierwerkzeug
- Gewindeschneidwerkzeuge
- Schraubenschlüssel
- Steckschlüssel und Betätigungswerkzeuge
- Kraftschrauber-Werkzeuge
- Schraubendreher
- Zangen
- Mess- und Prüfwerkzeuge
- KFZ- und Spezialwerkzeuge
- Biegewerkzeug
- Kartuschenpressen & Pistolen
- Laser- und Vermessungsinstrumente
- Akku & Elektromaschinen
- Maschinenzubehör
- Handwerkzeuge
Bau- & Werkstattbedarf - Regalsysteme
- Leitern & Gerüste
- Werkstattausstattung
- Arbeitsplatzeinrichtung
- Kompressoren & Druckluftwerkzeuge
- Werkstatthelfer
- Reiniger & Pflegemittel
- Farben & Rostschutz
- Klebstoffe
- Staubschutztür
- Beleuchtung
- Entfeuchtung, Lüftung, Luftreinigung
- Werkbänke
- Ordnungssysteme & Werkstattwagen
- Stromverteilung
- Schraubstock & Zwingen
- Arbeitsböcke
- Schutz- & Abdeckvlies
- Dichtstoffe & Silikone
- Dichtmittel
- Müllbeutel
- Fette & Öle
- Klebebänder & Dichtbänder
- Bohrer, Trennscheibe, Bit
- Arbeitsplatzeinrichtung
- Technische Schläuche
- Transportsysteme
- Verbrauchsmaterialien & Werkstattzubehör
Arbeitsschutz - Berufskleidung
Garten
Sale / Angebote
qpool24 Ratgeber
Unsere Marken
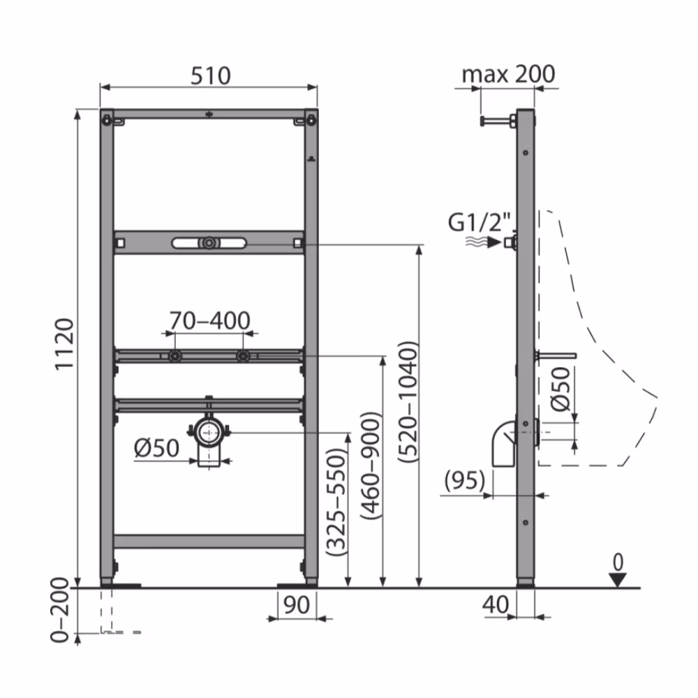
AlcaPlast A107/1120 Urinal Montageelement für Urinal mit Druckspüler
Einbauhöhe: 1200mm,Zubehör

€ 112,71
Inhalt: 1 Stück
- einfache und sichere Lösung zur Installation von Urinalen
- stabilen Konstruktion und der flexiblen Montagemöglichkeiten
- nstallation von Urinalen in öffentlichen Sanitäranlagen
- Geeignet für verschiedene Urinaltypen
- Material: Hochwertiger Stahl
Verfügbar, Zustellung vorraussichtlich in 7 bis 8 Werktagen
100 von %notAvailable% Stück verfügbar, Zustellung vorraussichtlich in 7 Werktagen, Nachlieferung in 12 Tagen
Passendes Zubehör direkt mitbestellen:
€ 25,64
€ 3,25
Produktnummer: 230025
GTIN/EAN: 8595580552725
Hersteller: AlcaPlast
Herkunfts-Art. Nr.: A10712
Beschreibung
Produktinformationen "AlcaPlast A107/1120 Urinal Montageelement für Urinal mit Druckspüler"
Produktbeschreibung
Das Produkt Montagerahmen für Urinal von AlcaPlast bietet eine schnelle, einfache und sichere Lösung zur Installation von Urinalen. Dank der stabilen Konstruktion und der flexiblen Montagemöglichkeiten sorgt es für perfekten Halt und passt sich flexibel an verschiedene Installationsbereiche an. Das robuste Design und die einfache Montage machen dieses Produkt zu einer zuverlässigen Wahl für jede Installation. Es ist besonders geeignet für den Einsatz in öffentlichen und gewerblichen Sanitäranlagen.
Eigenschaften
- Stabile Konstruktion
- Flexible Montagemöglichkeiten
- Einfache Installation
Anwendungsbereiche
- Installation von Urinalen in öffentlichen Sanitäranlagen
- Verwendung in gewerblichen Gebäuden
- Geeignet für verschiedene Urinaltypen
Produktdaten
- Material: Hochwertiger Stahl
- Abmessungen: Kompakt und platzsparend
In unserem Sortiment finden Sie auch passende Zubehörteile sowie weitere Produkte für den Anschluss.
Eigenschaften
| Einbauhöhe: | 1200mm,Zubehör |
|---|
| Name: | Alcadrain s.r.o. |
|---|---|
| Anschrift: | Komunardů 1626/35, 170 00 Praha 7 - Holešovice, Tschechien |
| Telefon: | +420 519 821 011 |
| Kontakt: | alcadrain@alcadrain.cz |
| Impressum: | https://www.alcadrain.de/uber-uns/kontakte |
Bitte beachten Sie die Hinweise zur Entsorgung von Verpackung und Elektroaltgeräten.


